 
ALA5450.402
Slangerulle Ecodora 15 m luk./olie
Lukket 15 m slangerulle til olie og kølervæske
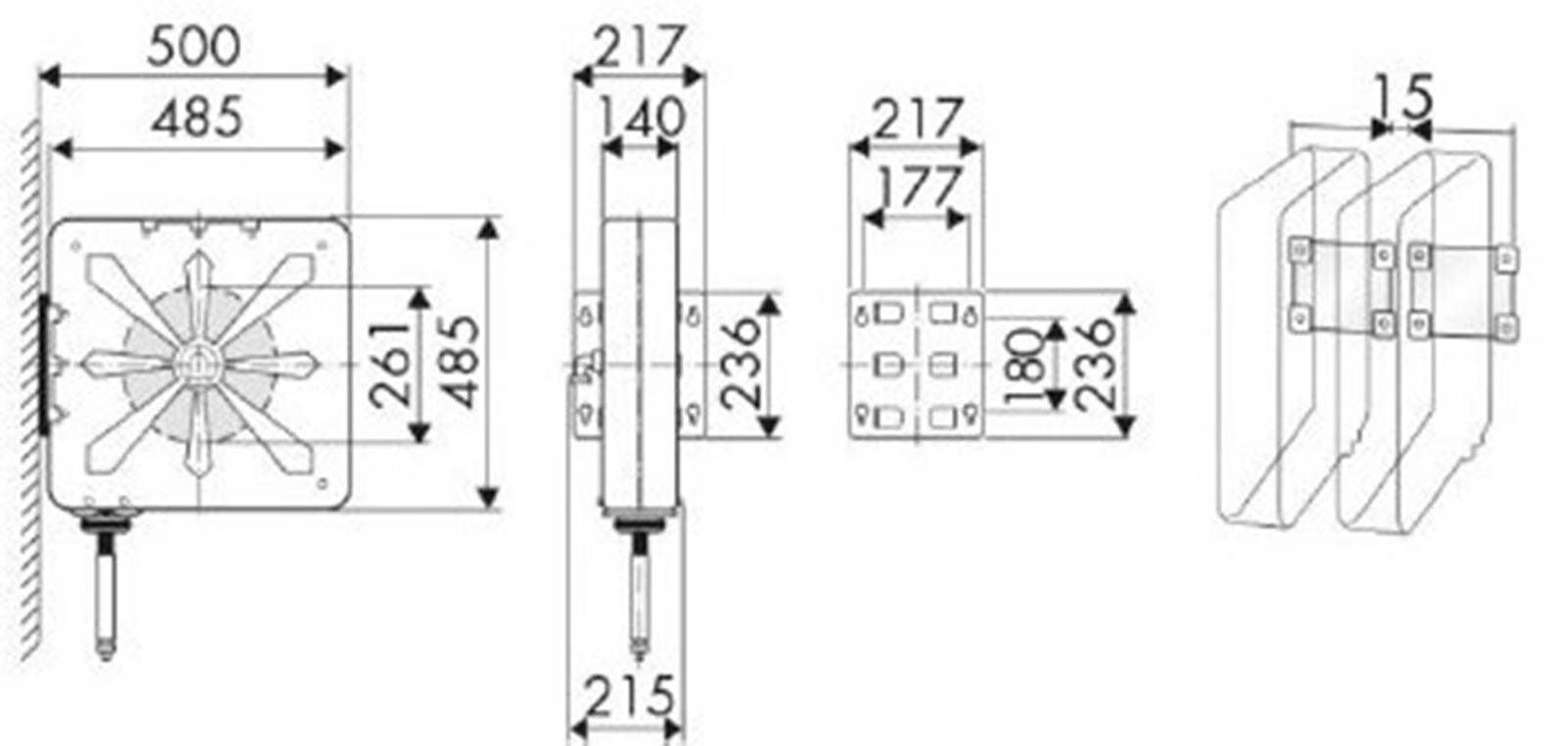
Fabrikat: Ecodora. Offwhite lakeret stålkabinet med ABS-tromle monteret med 15 m 1/2" olieslange med 1/2"URG-afgang. 0,6 m tilgangsslange med 1/2" IRG-omløber medfølger (ej vist på billedet). Maks. 150 bar. Polyuretan pakning. Kabinet mål: 485 x 485 mm.
Oprulleren findes uden slanger som nr. ALA5450.400.
For montering til ¾” rørsystemer anbefales brug af monteringssæt, varenr. 25SLMONT
Fremstillet i overensstemmelse med Atex direktiv 94/9
 
 
- 
                
                Mærke ECODORA Anvendelsesområder Friskolie, Spildolie, Fedt, Diesel, Benzin, Vand 
 
 
 
 
 
 
 
 
 
 
 
 
 
 
 
 
 
 
 
 
 
 
 
