 
ALA5450.401
Slangerulle med 10 m slange
Lukket 10 m slangerulle til olie og kølervæske m.m.
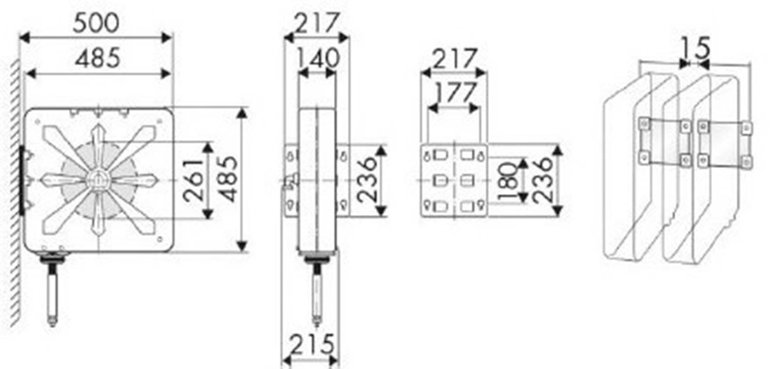
Fabrikat: Ecodora. Offwhite lakeret stålkabinet med ABS-tromle monteret med 10 m 1/2" olieslange med 1/2"URG-afgang. 0,6 m tilgangsslange med 1/2" IRG-omløber medfølger (ej vist på billedet). Maks. 150 bar. Polyuretan pakning. Kabinet mål: 485 x 485 mm.
Oprulleren findes uden slanger som nr. ALA5450.400.
For montering til ¾” rørsystemer anbefales brug af monteringssæt, varenr. 25SLMONT
Fremstillet i overensstemmelse med Atex direktiv 94/9
 
 
- 
                
                Mærke ECODORA Anvendelsesområder Friskolie, Spildolie Produktnavn Slangerulle Ecodora 10 m luk./olie Højde (mm) 485 Længde (mm) 485 
 
 
 
 
 
 
 
 
 
 
 
 
 
 
 
 
 
 
 
 
 
 
 
